| Автор |
Сообщение |
|
admin
|
 |
Заголовок сообщения: Блок питания из сгоревшей лампы или ещё из чего-то. Часть 2 Добавлено: 16 окт 2012, 14:03 |
|
Зарегистрирован: 13 июл 2009, 18:52 Сообщения: 7140
|
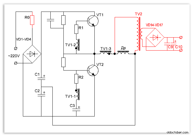
Топик из нескольких частей: Часть 1, Часть 2, Часть 3, Часть 4Обсуждаем статьи, делимся опытом.Статьи.Как за час сделать импульсный блок питания из сгоревшей лампочки?Как намотать импульсный трансформатор для сетевого блока питания?Ремонт зарядного устройства LI-10C от фотокамеры Olympus.Несколько слов про экранирование импульсного источика питания. Мелкие подробности
- О способах получения необходимого тока в цепи первичной обмотке трансформатора обратной связи импульсного блока питания с автогенерацией. Схема с двумя ОС от NickF.
- О способе снижения нагрева резистора, ограничивающего базовый ток ключей.
Дополнительные материалы.Вложение: Стабилизированный БП из балласта КЛЛ.pdf Вложение: БП для шуруповёрта из балласта КЛЛ.doc - Скачать книгу "Блоки питания для системных модулей типа IBM PC-XT/AT" (0,9мБ).
- Скачать программу универсальный, портативный "Калькулятор" (радиолюбителя) (0,5мБ).
- Скачать Справочник "Источники питания" Москатова в формате DJVU (10МБ).
- Электро-технический стравочник. Корякин-Черняк (5,4МБ). Есть информация по балластам на микросхемах.
- Даташит на микросхему MC34063 со схемами повышения выходного тока на основе транзисторов PNP и NPN структуры (1МБ).
- Как изготовить светодиодную лампу из КЛЛ (0,5МБ).
- Полезные программы и справочники для радиолюбителя.
Пароль на все архивы: oldoctober.com
|
|
| Вернуться к началу |
|
 |
|
admin
|
Заголовок сообщения: Re: Блок питания из сгоревшей лампы или ещё из чего-то. Часть 2 Добавлено: 02 апр 2013, 20:12 |
|
Зарегистрирован: 13 июл 2009, 18:52 Сообщения: 7140
|
ВасилийВот здесь я показал, как рассчитать блок питания для УНЧ. Такой же подход можно применить при расчёте импульсного нестабилизированного БП. Можно отталкиваться от максимального напряжения сети 220+5%. Балластные резисторы светодиодов рассчитайте с учётом максимально допустимого тока, который может быть достигнут при максимальном напряжении питающей сети.
_________________ Сделай сам. О бюджетном решении технических, и не только, задач. >>>
|
|
| Вернуться к началу |
|
 |
|
Василий
|
Заголовок сообщения: Re: Блок питания из сгоревшей лампы или ещё из чего-то. Часть 2 Добавлено: 02 апр 2013, 20:59 |
|
Зарегистрирован: 06 фев 2013, 08:44 Сообщения: 57
|
|
А можно использовать стабилитрон???
|
|
| Вернуться к началу |
|
 |
|
admin
|
Заголовок сообщения: Re: Блок питания из сгоревшей лампы или ещё из чего-то. Часть 2 Добавлено: 02 апр 2013, 21:10 |
|
Зарегистрирован: 13 июл 2009, 18:52 Сообщения: 7140
|
|
| Вернуться к началу |
|
 |
|
Павел
|
Заголовок сообщения: Re: Блок питания из сгоревшей лампы или ещё из чего-то. Часть 2 Добавлено: 06 апр 2013, 12:29 |
|
Зарегистрирован: 15 ноя 2011, 19:20 Сообщения: 955
|
|
Собираю очередной БП из лампы 15Вт (на эту же мощность), с внешним трансформатором (параллельно дросселю). За мостом на входе стоит штатный конденсатор 3,3 мкФ, подпоял параллельно ему (с другой стороны платы) еще один - 10 мкФ. При испытаниях штатный греется (градусов 40), а добавленный нет. Какой из них нужно менять? Не думаю что это связано, но так же греется один транзистор больше чем другой (один холодный, второй градусов 60 на ощупь при нагрузке 1 Вт).
|
|
| Вернуться к началу |
|
 |
|
admin
|
Заголовок сообщения: Re: Блок питания из сгоревшей лампы или ещё из чего-то. Часть 2 Добавлено: 06 апр 2013, 12:36 |
|
Зарегистрирован: 13 июл 2009, 18:52 Сообщения: 7140
|
|
| Вернуться к началу |
|
 |
|
Павел
|
Заголовок сообщения: Re: Блок питания из сгоревшей лампы или ещё из чего-то. Часть 2 Добавлено: 06 апр 2013, 19:44 |
|
Зарегистрирован: 15 ноя 2011, 19:20 Сообщения: 955
|
Спасибо за быстрый ответ. admin писал(а): Нарушение симметрии. А куда "рыть"? Вокруг горячего транзистора (что-то в его обвязке)? Или вообще не копать, поставить радиатор небольшой (я так понимаю при мощности равной мощности лампочки будет достаточно небольшого). Ещё проверил это БП на холостом ходу (к балласту подключён трансформатор, параллельно дросселю, а к нему два диода Шоттки (схема со средней точкой) и конденсатор). Тот же транзистор греется, что и раньше, трансформатор (собран без зазора в сердечнике) тоже немного нагрелся за 20 минут (градусов 40). В общем отличий нет, ведь нагрузка была лампочка 1Вт, а это почти на холостую.
|
|
| Вернуться к началу |
|
 |
|
admin
|
Заголовок сообщения: Re: Блок питания из сгоревшей лампы или ещё из чего-то. Часть 2 Добавлено: 06 апр 2013, 20:15 |
|
Зарегистрирован: 13 июл 2009, 18:52 Сообщения: 7140
|
|
Павел Сложно что-то советовать, не обладая почти никакой информаций. Хотя бы схему предоставили и фотографии.
Можно транзисторы местами поменять, чтобы выяснить не свзан ли нагрев с разным коэффициентом усиления. Можно трансформатор отключить, чтобы выяснить, не связан ли нагрев с нарушением симметрии.
_________________ Сделай сам. О бюджетном решении технических, и не только, задач. >>>
|
|
| Вернуться к началу |
|
 |
|
Василий
|
Заголовок сообщения: Re: Блок питания из сгоревшей лампы или ещё из чего-то. Часть 2 Добавлено: 07 апр 2013, 12:31 |
|
Зарегистрирован: 06 фев 2013, 08:44 Сообщения: 57
|
adminЗдравствуйте!Вчера собрал БП в подходящий для меня корпус и при подключении нагрузки случайно закоротил выход вторичной обмотки, КЗ было даже меньше секунды но блок питания больше не запускался.При проверке выявил что сгорел один транзистор 13007(при работе транзисторы сильно не грелись, на ощупь теплые) 1. Из -за чего так быстро мог сгореть транзистор(у меня просто мысли что он работал на пределе)??? 2. Установил транзисторы 13009 (других не было под рукой), очень сильно греется один транзистор и при выключении БП на холостом ходу стоит треск в дросселе 3. Имеются так же транзисторы 13003 подойдут ли они для блоки питания на 100 Ватт! http://oldoctober.com/forum/download/file.php?id=1120
|
|
| Вернуться к началу |
|
 |
|
admin
|
Заголовок сообщения: Re: Блок питания из сгоревшей лампы или ещё из чего-то. Часть 2 Добавлено: 07 апр 2013, 12:56 |
|
Зарегистрирован: 13 июл 2009, 18:52 Сообщения: 7140
|
|
| Вернуться к началу |
|
 |
|
Василий
|
Заголовок сообщения: Re: Блок питания из сгоревшей лампы или ещё из чего-то. Часть 2 Добавлено: 07 апр 2013, 19:43 |
|
Зарегистрирован: 06 фев 2013, 08:44 Сообщения: 57
|
Да вроде по этой схеме больше и сгорать то нечему! 
|
|
| Вернуться к началу |
|
 |
Кто сейчас на конференции |
Сейчас этот форум просматривают: нет зарегистрированных пользователей и гости: 9 |
|
Вы не можете начинать темы Вы не можете отвечать на сообщения Вы не можете редактировать свои сообщения Вы не можете удалять свои сообщения Вы не можете добавлять вложения
|
|
|