| Автор |
Сообщение |
|
admin
|
 |
Заголовок сообщения: Блок питания из сгоревшей лампы или ещё из чего-то. Часть 2 Добавлено: 16 окт 2012, 14:03 |
|
Зарегистрирован: 13 июл 2009, 18:52 Сообщения: 7140
|
Топик из нескольких частей: Часть 1, Часть 2, Часть 3, Часть 4Обсуждаем статьи, делимся опытом.Статьи.Как за час сделать импульсный блок питания из сгоревшей лампочки?Как намотать импульсный трансформатор для сетевого блока питания?Ремонт зарядного устройства LI-10C от фотокамеры Olympus.Несколько слов про экранирование импульсного источика питания. Мелкие подробности
- О способах получения необходимого тока в цепи первичной обмотке трансформатора обратной связи импульсного блока питания с автогенерацией. Схема с двумя ОС от NickF.
- О способе снижения нагрева резистора, ограничивающего базовый ток ключей.
Дополнительные материалы.Вложение: Стабилизированный БП из балласта КЛЛ.pdf Вложение: БП для шуруповёрта из балласта КЛЛ.doc - Скачать книгу "Блоки питания для системных модулей типа IBM PC-XT/AT" (0,9мБ).
- Скачать программу универсальный, портативный "Калькулятор" (радиолюбителя) (0,5мБ).
- Скачать Справочник "Источники питания" Москатова в формате DJVU (10МБ).
- Электро-технический стравочник. Корякин-Черняк (5,4МБ). Есть информация по балластам на микросхемах.
- Даташит на микросхему MC34063 со схемами повышения выходного тока на основе транзисторов PNP и NPN структуры (1МБ).
- Как изготовить светодиодную лампу из КЛЛ (0,5МБ).
- Полезные программы и справочники для радиолюбителя.
Пароль на все архивы: oldoctober.com
|
|
| Вернуться к началу |
|
 |
|
Crecker
|
Заголовок сообщения: Re: Блок питания из сгоревшей лампы или ещё из чего-то. Часть 2 Добавлено: 22 ноя 2013, 02:20 |
|
Зарегистрирован: 22 ноя 2013, 00:13 Сообщения: 11
|
Ну тогда задача значительно упростилась, спасибо! Еще вопрос по поводу емкости электролитов. Значительное превышение емкости может оказать негативное воздействие? На вход, после диодов, в закромах нашлись только парочка 330mF 200В (последовательно дадут нужное напряжение). Но емкость в 3 раза выше рекомендованной (1мкФ на 1Вт). Плохо или жить можно? Еще возник вопрос по фильтрации. В более или менее адекватных блоках питания, на входе в качестве фильтра ставят дроссель, в дешевых ставят перемычку. Ну в лампочки понятное дело никто ничего не ставит. Стоит вообще думать в этом направлении? Или это как мертвому припарки?
|
|
| Вернуться к началу |
|
 |
|
admin
|
Заголовок сообщения: Re: Блок питания из сгоревшей лампы или ещё из чего-то. Часть 2 Добавлено: 22 ноя 2013, 02:39 |
|
Зарегистрирован: 13 июл 2009, 18:52 Сообщения: 7140
|
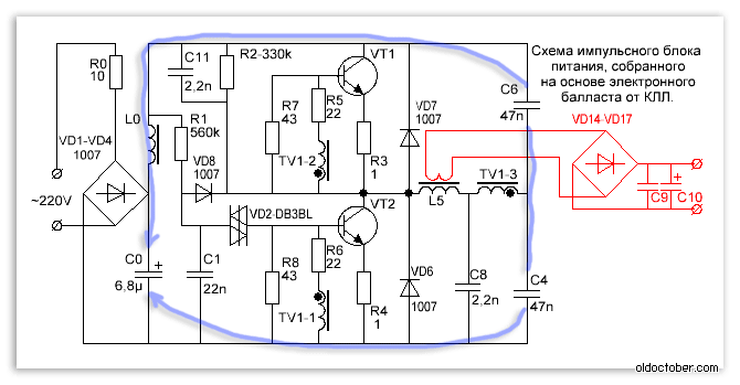
CreckerСо схемой мы определились, а номера элементов вы опять не называете. В рассматриваемом БП два выпрямителя. Проще написать одну цифр вместо кучи букв. Если речь о конденсаторе С0 входного фильтра, то можно его убрать вообще, а конденсаторы С6 и С4 заменить на 330мкФх200 Вольт. С4 при этом нужно будет зашунтировать резистором 330кОм, чтобы выровнять падение напряжения на С6-С4. В редких случаях, может чуть ухудшиться запуск, особенно, учитывая, что вы удалили дроссель. 
_________________ Сделай сам. О бюджетном решении технических, и не только, задач. >>>
|
|
| Вернуться к началу |
|
 |
|
Crecker
|
Заголовок сообщения: Re: Блок питания из сгоревшей лампы или ещё из чего-то. Часть 2 Добавлено: 22 ноя 2013, 03:12 |
|
Зарегистрирован: 22 ноя 2013, 00:13 Сообщения: 11
|
Ну схема не совсем моя, хотя она весьма схожа. Речь идет о С0. Я собственно и руководствуюсь данной схемой и статьей - http://oldoctober.com/ru/smps/#7, задавая вопрос по поводу емкости этого конденсатора. Изначально в этой схеме до изменений там стоит кондер на 6.8мкФ, в моей стоит на 10мкФ, и судя по картинке следует его заменить на 100мкф при мощности 100W. Ну и на сколько могу судить, во всех импульсных БП там он стоит примерно с таким же расчетом, разве можно его того... ? Удалить?
|
|
| Вернуться к началу |
|
 |
|
admin
|
Заголовок сообщения: Re: Блок питания из сгоревшей лампы или ещё из чего-то. Часть 2 Добавлено: 22 ноя 2013, 12:38 |
|
Зарегистрирован: 13 июл 2009, 18:52 Сообщения: 7140
|
|
Crecker Если оставить 5-10 мкФ в качестве C0, то будет только лучше, но основную функцию фильтрации возьмут на себя С4 и С6. Два по 330мкФ последовательно, это будет 165 мкФ. Вы же сами сказали, что есть только электролитические конденсаторы на 200 Вольт. Вот, я и пытаюсь их приспособить. Решение это не новое и в полумостовых схемах применяется довольно часто. Вот посмотрите, как включены С6 и С4 по отношению к С0. Если не считать дроссель L0, то они шунтируют по переменному току цепь питания сразу после сетевого выпрямителя.
| Вложения: |

ИБП из КЛЛ.png [ 16.65 Кб | Просмотров: 57992 ]
|
_________________ Сделай сам. О бюджетном решении технических, и не только, задач. >>>
|
|
| Вернуться к началу |
|
 |
|
Crecker
|
Заголовок сообщения: Re: Блок питания из сгоревшей лампы или ещё из чего-то. Часть 2 Добавлено: 22 ноя 2013, 15:05 |
|
Зарегистрирован: 22 ноя 2013, 00:13 Сообщения: 11
|
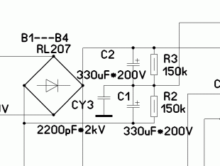
Ну т.е. особой разницы нет? Ставить их вместо С0 или вместо С6, С4? В АТХ блоках параллельно конденсаторам (который у нас в схеме С0) ставят резисторы, если я поставлю эти два кондера, их тоже впаять нужно будет? Те что R2, R3. И еще вопрос. Цитата: В частности, может понадобиться установить более мощные диоды VD1-VD4 во входной мостовой выпрямитель и перемотать входной дроссель L0 более толстым проводом. Более толстый провод в том же количестве не влезет, мотать сколько влезет?
| Вложения: |

Green_Tech_MAV-300W-P4.gif [ 8.72 Кб | Просмотров: 57991 ]
|
|
|
| Вернуться к началу |
|
 |
|
admin
|
Заголовок сообщения: Re: Блок питания из сгоревшей лампы или ещё из чего-то. Часть 2 Добавлено: 22 ноя 2013, 19:26 |
|
Зарегистрирован: 13 июл 2009, 18:52 Сообщения: 7140
|
Crecker писал(а): Ну т.е. особой разницы нет? Ставить их вместо С0 или вместо С6, С4? C0 имеет смысл, так как у нас в схеме имеется дроссель L0. С0, C6, C4 и L0 образуют П-образный фильтр, который эффективнее обычного фильтра в виде единственного конденсатора. Про резистор писал здесь. Один резистор R2 уже шунтирует С6, для С4 нужно установить ещё один такой же резистор. Эти резисторы будут работать, как делитель напряжения. Номинал резисторов выбирают, исходя из предполагаемого тока утечки конденсаторов. Можно и по 100кОм установить, если падение напряжения на конденсаторах отличается больше чем на 5-10 Вольт. Измерять нужно без нагрузки, то есть - только выпрямитель два конденсатора и два резистора делителя напряжения. Уменьшения наминала резистора может потребовать увеличения его мощности. 150 2 / 100000 = 0,225 (Ватт). То есть, обычный мелкий резистор на 0,125 Ватт уже не подойдёт. Цитата: Более толстый провод в том же количестве не влезет, мотать сколько влезет? По-хорошему, Вы должны установить настоящий сетевой фильтр. В лампочках, это не фильтр, а пародия. Вот, загляните сюда >>>,здесь описано устройство, собранное на таком же блоке питания, но с сетевым фильтром. В частности, элементы C0-C3, DR1, это и есть входной фильтр. Если его не установить, то ваш БП будет излучать высокочастотные колебания в сеть, что может привести к попаданию помехи в исследуемое устройство. Вы же лабораторный БП строите. Хотя, даже в бюджетных компьютерных БП под час нет фильтров, а только отверстия в ПП под них.
_________________ Сделай сам. О бюджетном решении технических, и не только, задач. >>>
|
|
| Вернуться к началу |
|
 |
|
Crecker
|
Заголовок сообщения: Re: Блок питания из сгоревшей лампы или ещё из чего-то. Часть 2 Добавлено: 22 ноя 2013, 23:27 |
|
Зарегистрирован: 22 ноя 2013, 00:13 Сообщения: 11
|
Такс, откатываюсь в начало в своих изысканиях. Вообще-то в планах нет, получить лабораторный БП в полном его смысле. Для этого у меня есть заготовки посолидней, просто лезть в "заготовки посолидней" мне пока рано, вот и решил немного разобраться с ИБП, а потом наткнулся на Вашу статью и вспомнил что последнюю сгоревшую экономку я положил в ящик. До этого ковырялся в кишках электронного трансформатора, но тут схемка изначально мощней оказалась и удобней.В общем фильтр. Состоит он как я понял из двух идентичных катушек намотанных например на ферритовое кольцо. Какие к нему требования? Если я возьму колечко 24х12х9 опять таки, с неизвестными мне характеристиками, и мотну на него по 10-15 витков провода, это будет похоже на фильтр? Или тут тоже нужен более научный подход? Напоминаю что супер БП для питания "нанотехнологий" я не делаю  Главное чтобы он работал, не перегревался и давал более или менее постоянное напряжение. А ведь месяц назад у меня валялся этот фильтр от АТХа, а теперь найти не могу. Щас разберу ЭЛТ монитор, там точно есть чем поживиться 
|
|
| Вернуться к началу |
|
 |
|
admin
|
Заголовок сообщения: Re: Блок питания из сгоревшей лампы или ещё из чего-то. Часть 2 Добавлено: 22 ноя 2013, 23:58 |
|
Зарегистрирован: 13 июл 2009, 18:52 Сообщения: 7140
|
CreckerНу, тогда нужно определится с задачей. Для чего изготавливается БП? Если, скажем, какой-нибудь двигатель подключать, то можно и упразднить фильтр.  Я в приведённом примере установил фильтр просто потому, что у меня их много в запасе Я ж когда-то ремонтом занимался, а в любой приличной технике такой фильтр имеется. Если б пришлось покупать, то установил бы что-нибудь попроще. В бюджетных ATX обычно фильтра нет. В мониторе есть - 100%.
_________________ Сделай сам. О бюджетном решении технических, и не только, задач. >>>
|
|
| Вернуться к началу |
|
 |
|
Crecker
|
Заголовок сообщения: Re: Блок питания из сгоревшей лампы или ещё из чего-то. Часть 2 Добавлено: 23 ноя 2013, 02:34 |
|
Зарегистрирован: 22 ноя 2013, 00:13 Сообщения: 11
|
Задача этого блока по сути и будет сводится к подключению двигателей и прочего, но возможно иногда и автомагнитолу придется подключить или тот же мультиметр если в очередной раз случайно его оставлю включенным (крона очень быстро умирает). Бытовой БП, не для профессионального ремонта электроники.Фильтр я нашел, но он мне так нравится, что я решил его оставить для более серьезного дела Серьезное дело - это мощный БП на АТХ с регулировкой по току и напряжению, уже имеется такой БП переделанный на заводе (схемку и вообще его весь могу показать), но в основе бюджетный БП, который очень нуждается в допиливании. Просто этот БП хоть и пробный, но делать абы шо тоже не хочется. Но и не хочется его капиталить, ибо база все равно остается в виде лампочки. Если несколько витков провода на кольце улучшат ситуацию, то конечно я возьмусь, если нужно заниматься расчетами и экспериментами, то пожалуй лучше упразднить его. Есть у меня еще пара блочков от принтеров, но у них маловаты токи, один 24/0,8 второй 30/0,4. Хорошие блочки такие, разбирать жалко. Но если что-то стоящее с них выйдет то пожертвую  Улов из недр монитора примерно таков: Жменя ферритовых колечек, электролит на 400В 180мкФ, фильтр (который жалко), кондеры (стояли вместе с ним), варистор (еще один). Еще много всего полезного но к делу особо не относящегося. Ну и сам бп в нынешнем состоянии, трансформатор пока убрал. Щас сверюсь со схемой из статьи, перепишу номиналы, чтобы проще было.
| Вложения: |

P1200866_новый размер.JPG [ 175.27 Кб | Просмотров: 57968 ]
|

P1200865_новый размер.JPG [ 184.91 Кб | Просмотров: 57968 ]
|

P1200858_новый размер.JPG [ 190.11 Кб | Просмотров: 57968 ]
|
|
|
| Вернуться к началу |
|
 |
|
admin
|
Заголовок сообщения: Re: Блок питания из сгоревшей лампы или ещё из чего-то. Часть 2 Добавлено: 23 ноя 2013, 02:58 |
|
Зарегистрирован: 13 июл 2009, 18:52 Сообщения: 7140
|
|
| Вернуться к началу |
|
 |
Кто сейчас на конференции |
Сейчас этот форум просматривают: нет зарегистрированных пользователей и гости: 8 |
|
Вы не можете начинать темы Вы не можете отвечать на сообщения Вы не можете редактировать свои сообщения Вы не можете удалять свои сообщения Вы не можете добавлять вложения
|
|
|