| Автор |
Сообщение |
|
Павел
|
Заголовок сообщения: Использование отсуживших свой срок энергосберегающих ламп Добавлено: 12 дек 2011, 20:19 |
|
Зарегистрирован: 15 ноя 2011, 19:20 Сообщения: 955
|
|
Если у энергосберегающей лампочки почернело основание баллона и она перестала светить, из её балласта можно сделать БП, а вот сама лампочка ещё может послужить по прямому назначению (смотрите фото) если её подключить через удвоитель напряжения.
| Вложения: |

Результат.JPG [ 14.28 Кб | Просмотров: 41967 ]
|

Доработка.JPG [ 17.94 Кб | Просмотров: 41967 ]
|
|
|
| Вернуться к началу |
|
 |
|
Павел
|
Заголовок сообщения: Re: Использование отсуживших свой срок энергосберегающих ламп Добавлено: 14 дек 2011, 00:55 |
|
Зарегистрирован: 15 ноя 2011, 19:20 Сообщения: 955
|
|
Во вложении схема. В ней в момент включения конденсаторы и диоды выступают в роли удвоителя напряжения, после зажигания - конденсаторы выполняют роль балластных резисторов. По этой причине она выглядит более привлекательно чем та что на фото выше, т.к. резистор греется и чем мощнее лампа - тем нужен мощнее резистор. Подскажите есть ли ещё какие преимущества этой схемы кроме описанных и экономии деталей (на фото выше используется 4 диода и 4 конденсатора).
| Вложения: |

Схема.JPG [ 16.06 Кб | Просмотров: 41958 ]
|
|
|
| Вернуться к началу |
|
 |
|
Павел
|
Заголовок сообщения: Re: Использование отсуживших свой срок энергосберегающих ламп Добавлено: 14 дек 2011, 00:59 |
|
Зарегистрирован: 15 ноя 2011, 19:20 Сообщения: 955
|
|
На фото в первом посте не видна схема, поэтому добавлю ещё фото.
| Вложения: |

Вид снизу.JPG [ 20.66 Кб | Просмотров: 41958 ]
|

вид сверху.JPG [ 17.42 Кб | Просмотров: 41958 ]
|
|
|
| Вернуться к началу |
|
 |
|
qza
|
Заголовок сообщения: Re: Использование отсуживших свой срок энергосберегающих ламп Добавлено: 14 дек 2011, 04:57 |
|
Зарегистрирован: 30 авг 2011, 07:49 Сообщения: 14404 Откуда: СССР / ЕС :)
|
ПавелА ты сам то пробовал? Зачем тогда все ставят в светильники эти тяжелые и дорогие дроссели и стартеры, если есть такое простое схемное решение, наверное, для ламп даже со сгоревшими спиралями, раз уж они всё равно перемкнуты  ?
_________________ СделайСамСвоимиРуками / ЕслиСэкономишь
|
|
| Вернуться к началу |
|
 |
|
Павел
|
Заголовок сообщения: Re: Использование отсуживших свой срок энергосберегающих ламп Добавлено: 14 дек 2011, 22:38 |
|
Зарегистрирован: 15 ноя 2011, 19:20 Сообщения: 955
|
|
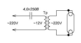
qza Да пробовал. Дело в том что лампы эти рассчитаны работать на переменном токе, постоянка их убивает. Поэтому я тут речь веду об отслуживших свой срок энергосберегающих лампах. Светят они чуть хуже чем новые (по яркости), но светят. Что бы подольше прослужили нужно время от времени менять полярность (чем чаще, тем лучше).
Если лучший способ заставить работать лампу со сгоревшими спиралями, но более громоздкий (смотри вложение). Я зажигал им ЛБ-20 и ЛБ-40, там габариты самого светильника позволяют (вместо дросселя). Более того, мне так понравилось что я в гараже подключил так новые лампы, замкнув накоротко выводы спиралей.
| Вложения: |
Комментарий к файлу: Трансформатор ТВК (кадровый) от старого телевизора. Подключение обмоток на схеме не перепутано, 220В через конденсатор на 12В, а к обмотке на 220В - лампу.

Схема.JPG [ 7.1 Кб | Просмотров: 41952 ]
|
|
|
| Вернуться к началу |
|
 |
|
Павел
|
Заголовок сообщения: Re: Использование отсуживших свой срок энергосберегающих ламп Добавлено: 14 дек 2011, 22:50 |
|
Зарегистрирован: 15 ноя 2011, 19:20 Сообщения: 955
|
|
Если кто захочет повторить. Емкостью конденсатора подбирается оптимальная яркость, я на лампу ЛБ-40 ставил 10 мкФ (не меньшие - меньше). ВАЖНО! Без нагрузки (лампы) не включать - это последовательный колебательный контур, если попадет в резонанс - я не знаю что будет и вам не советую пробовать. Лампы со сгоревшими спиралями светят по времени иногда дольше чем они отработали исправными в штатном светильнике, при этом постепенно теряется яркость. Стартер не нужен, зажигаются сразу (без моргания). Когда полностью изношены - горят тлеющим разрядом.
|
|
| Вернуться к началу |
|
 |
|
Павел
|
Заголовок сообщения: Re: Использование отсуживших свой срок энергосберегающих ламп Добавлено: 14 дек 2011, 23:00 |
|
Зарегистрирован: 15 ноя 2011, 19:20 Сообщения: 955
|
|
Admin подскажи пожалуйста с какими номиналами конденсаторов можно попробовать схему во вложении с лампой 25 Вт (энергосберегающая со спиральной колбой, у неё маленький корпус и другой вариант вряд ли влезет). Я эту схему нашел в теории, без номиналов. В описании было сказано лишь что конденсаторы после запуска выполняют роль балластного резистора.
| Вложения: |

Схема.JPG [ 16.52 Кб | Просмотров: 41952 ]
|
|
|
| Вернуться к началу |
|
 |
|
qza
|
Заголовок сообщения: Re: Использование отсуживших свой срок энергосберегающих ламп Добавлено: 15 дек 2011, 06:07 |
|
Зарегистрирован: 30 авг 2011, 07:49 Сообщения: 14404 Откуда: СССР / ЕС :)
|
ПавелИ нафига спрашивается придумали дроссели и стартеры с их морганием...  Я встречал промышленный адаптер для паяльника по моему на 30 вольт и ватт на 20 с одним кондерсатором внутри. Вообще то говорят, что сгорают часто эти конденсаторы. Что значит без нагрузки, и почему что-то должно произойти? По моему конденсатор можно ткнуть в розетку и ничего не случится, думаю, ничего не изменится, если добавится ещё обмотка трансформатора. По сути здесь напряжение порядка 50 вольт будет увеличено где-то в 20 раз, до 1000Вт (без нагрузки), но скорей всего вольт до 600, поэтому лампа легко зажигается. Назначение конденсаторов в схеме с диодами примерно тоже, только конденсаторы работают попеременно в зависимости от полуволны, так что номиналы под мощность должны быть теми же, только, пожалуй, на напряжение я бы поставил до 1000В, чтобы не рисковать.
_________________ СделайСамСвоимиРуками / ЕслиСэкономишь
|
|
| Вернуться к началу |
|
 |
|
Павел
|
Заголовок сообщения: Re: Использование отсуживших свой срок энергосберегающих ламп Добавлено: 15 дек 2011, 22:21 |
|
Зарегистрирован: 15 ноя 2011, 19:20 Сообщения: 955
|
|
qza Я использовал конденсаторы которые стоят в штатных светильниках (по 4 мкФ), пока ни один не сгорел. Вот лампы уже менял. А кроме моргания отсутствует и рёв дросселя, что тоже не может не радовать!
|
|
| Вернуться к началу |
|
 |
|
Павел
|
Заголовок сообщения: Re: Использование отсуживших свой срок энергосберегающих ламп Добавлено: 17 дек 2011, 13:01 |
|
Зарегистрирован: 15 ноя 2011, 19:20 Сообщения: 955
|
|
| Вернуться к началу |
|
 |
Кто сейчас на конференции |
Сейчас этот форум просматривают: нет зарегистрированных пользователей и гости: 1 |
|
Вы не можете начинать темы Вы не можете отвечать на сообщения Вы не можете редактировать свои сообщения Вы не можете удалять свои сообщения Вы не можете добавлять вложения
|
|
|